一、視頻實拍
二、產品簡介
LXLC-40~600、LXLC-40B~600B、LXLC-40K~600K系列可拆卸螺翼式水表是一種水平結構的水表,又可稱為渦輪式水表,水表的螺翼軸線與自來水管道軸線成平行(或重合),葉輪采用螺翼形狀。不過這并不是說本類水表只能水平安裝,如確需要垂直安裝時,則應選擇進水一側螺翼軸軸承孔中裝有寶石端面平軸承的水表,以減少磨擦阻力,延長水表的使用壽命。
三、產品特點
1. LXLC-K系列水表可達C級;
2. 指示機構采用磁傳結構,具有防磁干擾功能;
3. 干式計數器,采用真空封裝,可防冷凝霧化,長期保持清晰讀數;
4. 可拆卸式結構,無需把表殼從管道上拆下,就能比較方便的更換維修;
5. 壓力損失小;
6. 可適用于≤50℃冷水或≤90℃熱水(濕式和液封水表除外);
7. 水壓 ≤1MPa,1.6MPa,2.5Mpa或4.0Mpa;
8. 可根據用戶要求可增加遠傳脈沖輸出功能。
四、流量技術參數
| 公稱口徑 DN | 計量等級 | 最大流量 Qs | 常用流量 Qp | 分界流量 Qt | 最小流量 Qi | 最小讀數 | 最大讀數 |
| mm | m3/h | m3 | |||||
| 40 | B | 20 | 10 | 0.8 | 0.2 | 0.0002 | 999999 |
| 50 | B | 30 | 15 | 3 | 0.45 | 0.0002 | 999999 |
| 65 | B | 50 | 25 | 5 | 0.75 | 0.0002 | 999999 |
| 80 | B | 80 | 40 | 8 | 1.2 | 0.002 | 999999 |
| 100 | B | 120 | 60 | 12 | 1.8 | 0.002 | 999999 |
| 125 | B | 200 | 100 | 20 | 3 | 0.002 | 999999 |
| 150 | B | 300 | 150 | 30 | 4.5 | 0.002 | 999999 |
| 200 | B | 500 | 250 | 50 | 7.5 | 0.002 | 999999 |
| 250 | B | 800 | 400 | 80 | 12 | 0.002 | 999999 |
| 300 | B | 1200 | 600 | 120 | 18 | 0.02 | 9999999 |
| 350 | B | 1600 | 800 | 160 | 24 | 0.02 | 999999999 |
| 400 | B | 2000 | 1000 | 200 | 30 | 0.02 | 999999999 |
| 500 | B | 3000 | 1500 | 300 | 45 | 0.02 | 999999999 |
| 600 | B | 6000 | 3000 | 600 | 90 | 0.02 | 999999999 |
五、最大允許誤差
① 低區(Q?≤Q<Q?) 最大允許誤差為±5%
② 高區(Q?≤Q≤Q?) 最大允許誤差為±2%

六、壓力損失曲線
![]() | ![]() |
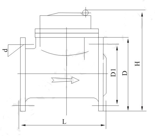
七、外形及規格尺寸

| 公稱口徑 D | 長 L | 寬 W | 高 H | 連接螺紋 | ||
| mm | 法蘭外徑 D | 螺栓孔中心圓直徑 D1 | 連接螺栓 | |||
| 40 | 200 | 256 | 400 | 165 | 125 | 4xM16 |
| 50 | 200 | 256 | 400 | 165 | 125 | 4xM16 |
| 65 | 200 | 256 | 400 | 185 | 145 | 4xM16 |
| 80 | 225 | 276 | 400 | 200 | 160 | 8xM16 |
| 100 | 250 | 286 | 400 | 220 | 180 | 8xM16 |
| 125 | 250 | 301 | 400 | 250 | 210 | 8xM16 |
| 150 | 300 | 346 | 500 | 285 | 240 | 8xM20 |
| 200 | 350 | 373 | 500 | 340 | 295 | 8xM20 |
| 250 | 450 | 493 | 730 | 395 | 350 | 12xM20 |
| 300 | 500 | 516 | 730 | 445 | 400 | 12xM20 |
| 350 | 500 | 560 | 730 | 520 | 470 | 12xM21 |
| 400 | 600 | 631 | 830 | 565 | 515 | 16xM24 |
| 500 | 800 | 785 | 930 | 715 | 650 | 20xM30 |
| 600 | 1000 | 865 | 1030 | 840 | 770 | 20xM33 |
八、安裝使用與維護方法
1.選擇可拆卸螺翼式水表的口徑,應先了解管道內流量大小,以經常使用流量接近常用流量為宜,不能單純以管道直徑確定水表口徑;
2.為保證水表計量的準確,其上游和下游要有足夠長的直管段或安裝與其等效的水流整流器裝置,上游直管段的長度不小于U10,下游直管段不小于D5。建議安裝時遠離水泵和彎道,避免安裝周邊的沖擊和震動,對于彎管或水泵所引起的渦流旋轉情況,必須在直管段處安裝整流裝置,以防水表計量誤差;
3.安裝水表前,應清除管道內的石子、泥沙等雜物,安裝時不應承受由管道和管件引起的過渡應力,必要時應將水表安裝在托架上,水表最好在管道下游選用相同口徑套管伸縮器連接過渡,有震動源或需重壓管道的水表處,請用高壓橡膠管連接過渡。安裝后,通水時緩慢開啟閥門,管道滿水后閥門完全打開,以防止水表損壞或發生故障;
4.水表上、下游直管段要同軸安裝,密封墊圈不得突入管內,以免引起計量不準,水表上游處請安裝與水表公稱口徑相一致的過濾器(可另外訂購),過濾器要經常取出清洗,以確保水表計量的準確性;
5.安裝位置要避免暴曬、冰凍、污染和水淹,以便拆裝和抄表。冰凍期間,除將水表和水管包扎外,不用時把水表進水端閥門關閉,出水端放水閥和水龍頭打開,可防止水表因冰凍膨脹損壞,建議安裝在專用水表井內;
6.水表安裝應有旁管路,以保證拆裝水表時不停水,水表安裝要注意水流與水表表殼上的箭頭方向保持一致,以防反轉,水表上游和下游要安裝相同口徑閥門,正常使用時要求全部打開,以保證水表計量準確;
7.冷水水表裝在鍋爐或有熱水回流的方向,需裝止回閥,防止熱水回流燙壞水表;
8.為正常使用水表請按照安裝示意圖進行安裝,過濾器應該安裝在水表進水口前離水表20D(D為水表公稱口徑)直管段上和容易拆卸的位置上,以便經常清洗,保證水表計量準確,過濾器可向我廠銷售部聯系訂購。
